跷板开关
当前位置:
首页
>
产品总览
>
跷板开关
拨动开关
工具开关
电源开关
微动开关
直流扳机调速开关
轻触开关
跷板开关
频道开关
冰箱开关
扳机开关
扳机调速开关
转盘调速开关
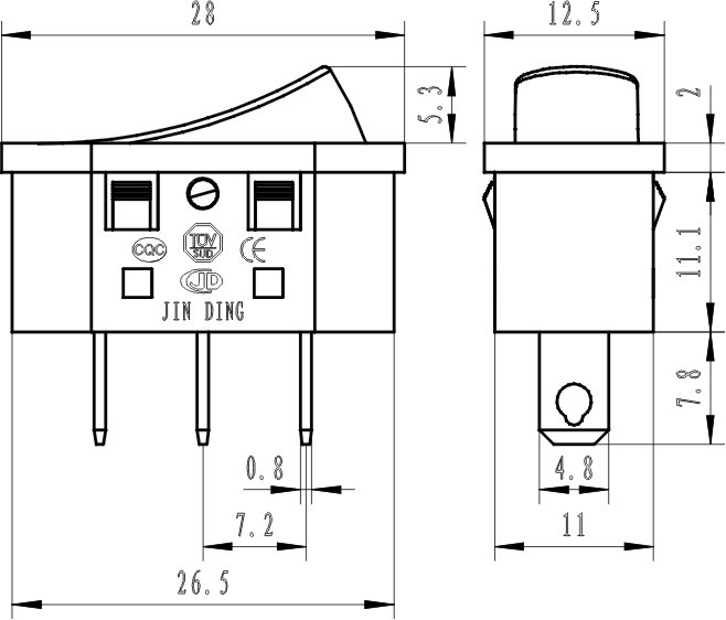
JD02-A2-A2-F3-T1
已通过认证
认证型号
JD03-F
额定电负荷
14(14)A 250VAC 18(18)A 125VAC
电气寿命
50.000 Cycles
环境温度
-25
~
85℃
接触电阻
≤50mΩ
绝缘电阻
100M
Ω
耐电压
AC1500V(50/60HZ)/1min
操作力度
按客户要求
下载图纸
产品详情/PRODUCT DETAILS
意向产品:
*
标题:
*
联系人:
*
公司名称:
*
详细内容:
*
邮箱:
*
*注:(请写邮箱 发送文件至邮箱)
下一篇
上一篇